RENSON

Вентиляционные решетки LOUVRES

ЗВУКОИЗОЛИРУЮЩИЕ ВЕНТИЛЯЦИОННЫЕ ПАНЕЛИ
RENSON LOUVRES
Виды
Спецификация
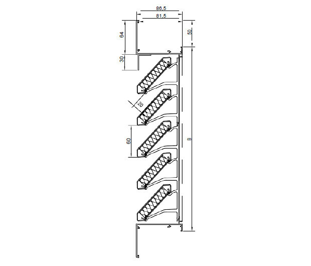
445/86
RENSON
Звукоизолирующая вентиляционная панель, монтируемая в стене
Спецификация
Глубина
Шаг пластины
Толщина рамки
Минимальные размеры:
60 мм
Материал
• Изготовлена из алюминиевых секций: AlMgSi 0.5 (согласно стандарту EN 12020-2)
• Сетка из нержавеющей стали с размером ячейки 304 (2,3 x 2,3 мм) или москитная сетка (6 x 6 мм) по запросу
• Финишная отделка: анодирована матовым / бронзовым цветом (20 микрон) или покрыта порошковой краской любого цвета RAL или цвета Syntha Pulvin (40 мик-рон)
• Нержавеющая сталь 100%
81,5 мм
50 мм
200*200 мм
Крепление
• Скобы, код 429
Высота
60 мм
Коэффициент К (подача)
9,22
Коэффициент К (выпуск)
13,29
Коэффициент Сe
0,329
0,274
Коэффициент Сd
Физическая свободная площадь
34%
Варианты
• Гидроканал
• Профиль водостока
• Съемная сетка
Визуально свободная площадь
77%
Шумоподавление
Rw (C; Ctr)
6 (-1;-2) дБ
446/150, 446/225, 446/300
RENSON
Звукоизолирующая вентиляционная панель, монтируемые в стене, шаг 150 мм
Спецификация 446/150
Глубина
Шаг пластины
Толщина рамки
Минимальные размеры:
150 мм
Материал
• Алюминиевые профили AlMgSi 0,5 (согласно стандарту EN 12020-2)
• Звукоизоляционный материал: негорючая минеральная вата
• Сетка из нержавеющей стали 304 6 х 6 мм
• Финишная отделка: анодирована матовым / бронзовым цветом (20 микрон) или покрыта порошковой краской любого цвета RAL или цвета Syntha Pulvin (40 микрон)
• Нержавеющая сталь 100%
143 мм
55 мм
300*410 мм
Крепление
• Крепежная скоба: возможна установка при помощи скобы № 1428
- положение 1: толщина стены до 100 мм
- положение 2: для толщины стены до 200 мм
• Винты Затяните винты с внешней стороны фланца (резьбовые отверстия по запросу)
• Кронштейн с фиксацией посредством вытягивания: крепление с помощью длинного кронштейна и распорных болтов для монтажа в стене и короткий кронштейна для соединения с вентиляционным каналом
• Крепление с задней стороны: путем ввинчивания болта с прямоугольной головкой к задней рамке конструкции
• Для вентиляционных панелей 446/300 размером более 3 м² требуется конструкция с задней рамкой
Высота
150 мм
Коэффициент К (подача)
38,46
Коэффициент К (выпуск)
34,48
Коэффициент Сe
0,161
0,169
Коэффициент Сd
Физическая свободная площадь
34%
Визуально свободная площадь
54%
Шумоподавление
Rw (C; Ctr)
11 (-1;-2) дБ
Возможности уплотнения
• Уплотнительная прокладка: подходит для шумоподавления звуков при контакте с изделием (уплотнительная прокладка по выбору)
• Полиуретановая уплотнительная лента: против просачивания воды (поли-уретановая уплотнительная лента по желанию заказчика)
• Силиконовое уплотнение: загерметизируйте фланец снаружи силиконом (силиконом по желанию заказчика)
Варианты
• Профиль водостока
Водонепроницаемость
Глубина для соответствия размерам
A (1 м/с)
150 мм
Спецификация 446/225
Глубина
Шаг пластины
Толщина рамки
Минимальные размеры:
150 мм
218 мм
55 мм
300*410 мм
Высота
150 мм
Коэффициент К (подача)
37,30
Коэффициент К (выпуск)
41,90
Коэффициент Сe
0,164
0,150
Коэффициент Сd
Физическая свободная площадь
34%
Визуально свободная площадь
54%
Шумоподавление
Rw (C; Ctr)
15 (-1;-4) дБ
Водонепроницаемость
Глубина для соответствия размерам
A (1 м/с)
225 мм
Спецификация 446/300
Глубина
Шаг пластины
Толщина рамки
Минимальные размеры:
150 мм
293 мм
55 мм
311*421 мм
Высота
150 мм
Коэффициент К (подача)
45,93
Коэффициент К (выпуск)
45,93
Коэффициент Сe
0,148
0,148
Коэффициент Сd
Физическая свободная площадь
34%
Визуально свободная площадь
54%
Шумоподавление
Rw (C; Ctr)
17 (-1;-4) дБ
Водонепроницаемость
Глубина для соответствия размерам
A (1 м/с)
300 мм
447/150, 447/225
RENSON
Звукоизолирующая вентиляционная панель, монтируемая в стене, шаг 170 мм
Спецификация 447/150
Глубина
Шаг пластины
Толщина рамки
Минимальные размеры:
150 мм
Материал
• Алюминиевые профили AlMgSi 0,5 (согласно стандарту EN 12020-2)
• Звукоизоляционный материал: негорючая минеральная вата
• Сетка из нержавеющей стали 304 6 х 6 мм
• Финишная отделка: анодирована матовым / бронзовым цветом (20 микрон) или покрыта порошковой краской любого цвета RAL или цвета Syntha Pulvin (40 микрон)
• Нержавеющая сталь 100%
143 мм
55 мм
300*410 мм
Крепление
• Крепежная скоба: возможна установка при помощи скобы № 1428
- положение 1: толщина стены до 100 мм
- положение 2: для толщины стены до 200 мм
• Винты: Затяните винты с внешней стороны фланца (резьбовые отверстия по запросу)
• Кронштейн с фиксацией посредством вытягивания: крепление с помощью длинного кронштейна и распорных болтов для монтажа в стене и короткий кронштейна для соединения с вентиляционным каналом (стержень для кронштейна по желанию заказчика)
• Крепление с задней стороны: путем ввинчивания болта с прямоугольной головкой к задней рамке конструкции.
Высота
150 мм
Коэффициент К (подача)
25,46
Коэффициент К (выпуск)
25,15
Коэффициент Сe
0,198
0,200
Коэффициент Сd
Физическая свободная площадь
37%
Визуально свободная площадь
59%
Шумоподавление
Rw (C; Ctr)
9 (0;-1) дБ
Возможности уплотнения
• Уплотнительная прокладка: подходит для шумоподавления звуков при контакте с изделием
• Полиуретановая уплотнительная лента
• Силиконовое уплотнение
Варианты
• Профиль водостока
Глубина для соответствия размерам
150 мм
Спецификация 447/225
Глубина
Шаг пластины
Толщина рамки
Минимальные размеры:
150 мм
218 мм
55 мм
300*430 мм
Высота
150 мм
Коэффициент К (подача)
28,58
Коэффициент К (выпуск)
30,88
Коэффициент Сe
0,187
0,180
Коэффициент Сd
Физическая свободная площадь
37%
Визуально свободная площадь
59%
Шумоподавление
Rw (C; Ctr)
13 (-1;-3) дБ
Глубина для соответствия размерам
225 мм
Есть вопросы?
Перезвоним в ближайшее время!
+7 495 128 95 51